Предыдущая
Начало сайта
Первая страница
Следующая

Справочник по низкочастотным цифровым КМОП микросхемам
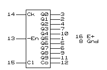
ИЕ8 - десятичный счетчик-делитель с позиционными выходами 
561ИЕ8 = CD4017A

ИЕ8 представляет из себя десятичный счетчик с позиционными выходами со сбросом в исходное состояние и запретом счета. Выход, соответствующий количеству входных импульсов, находится в состоянии H, а остальные позиционные выходы- в состоянии L. Выход переноса (Co) находится в потенциале L при кодовых комбинациях "5-9".

Активный потенциал Cl = H.
Активный потенциал -En = L.

 
Cl  Ck  -En  Операция 
 H   X   X  Q0=H; Co=H; Q1-Q9=10 
 L   H   \_  Счетчик инкрементируется
 L   _/   L  Счетчик инкрементируется
 L   L   X  Нет изменений 
 L   X   H  Нет изменений 
 L   H   _/  Нет изменений 
 L   \_   L  Нет изменений 
 
Микросхема    4017A    4017A  561ИЕ8  561ИЕ8  176ИЕ8 
Параметры (T=+25) при питании    E=+5    E=+10   E=+5   E=+10   E=+9 
Io0 для Qi мА    0.05-    0.1-   0.45   0.35    -
при выходном напряжении, В    0.5    0.5   0.8   0.5   0.3 
Io0 для Co мА    0.15-    0.35-   0.45   0.35    -
при выходном напряжении, В    0.5    0.5   0.8   0.5   0.3 
Io1 для Qi мА   0.03-    0.1-   0.32   0.35    -
при выходном напряжении, В    4.5    9.5   4.2   9.5   8.2 
Io1 для Co мА    0.15-    0.35-   0.32   0.35    -
при выходном напряжении, В    4.5    9.5   4.2   9.5   8.2 
Задержки распространения, нс           
от Ck до Qi  -500-1200  -200-400  -810   -350   -
от Ck до Co  -350-1000  -125-250  -810   -350   -
от Cl до Qi  -450-1200  -200-400  -810   -350   -
от Cl до Co  -350-1000  -125-250  -810   -350   -
Длительность тактового импульса  -200-500  -100-170  -  -  -
Длительность импульса сброса  -200-500  -100-165  -500   -165   -
Максимальная рабочая частота, МГц  1.0-   3.0-   -  3.0-   2.0- 

Козак Виктор Романович, Новосибирск, 18-июня-2014 г.
email: kozak@inp.nsk.su
Rambler's Top100