Предыдущая
Начало сайта
Первая страница
Следующая

Справочник по низкочастотным цифровым КМОП микросхемам
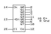
ИЕ9 - счетчик-делитель на 8 с позиционными выходами 
561ИЕ9 = CD4022A

ИЕ9 представляет из себя счетчик на 8 с позиционными выходами со сбросом в исходное состояние и запретом счета. Выход, соответствующий количеству входных импульсов, находится в состоянии H, а остальные позиционные выходы- в состоянии L. Выход переноса (Co) находится в потенциале L при кодовых комбинациях "4-7".

  Активный потенциал Cl = H.
  Активный потенциал -En = L.

 Cl   Ck   -En  Операция 
  H    X    X  Q0=H; Co=H; Q1-Q9=10 
  L    H   \_  Счетчик инкрементируется
  L   _/    L  Счетчик инкрементируется
  L    L    X  Нет изменений 
  L    X    H  Нет изменений 
  L    H   _/  Нет изменений 
  L   \_    L  Нет изменений 

Микросхема    4022A    4022A  561ИЕ9  561ИЕ9
Параметры (T=+25) при питании    E=+5    E=+10    E=+5   E=+10 
Io0 для Qi мА    0.05-    0.1-    0.03    0.05 
при выходном напряжении, В    0.5    0.5    -    - 
Io0 для Co мА    0.15-    0.3-    0.08    0.13 
при выходном напряжении, В    0.5    0.5    -    - 
Io1 для Qi мА    0.03-    0.1-   0.015    0.05 
при выходном напряжении, В    4.5    9.5    -    - 
Io1 для Co мА    0.15-    0.3-    0.08    0.13 
при выходном напряжении, В    4.5    9.5    -    - 
Задержки распространения, нс         
от Ck до Qi  -400-1200  -200-400   -3150   -1500 
от Ck до Co  -325-1000  -125-250   -1500   -600 
от Cl до Qi  -500-1250  -200-400    -    - 
от Cl до Co  -300-900  -125-250    -    - 
Длительность тактового импульса  -250-500  -85-170    -    - 
Длительность импульса сброса  -150-300  -75-150    -    - 
Максимальная рабочая частота, МГц    1-2.5-    3-5-    -    - 

Козак Виктор Романович, Новосибирск, 18-июня-2014 г.
email: kozak@inp.nsk.su
Rambler's Top100