|
|
|
ИЕ5 - 15-разрядный делитель частоты
176ИЕ5 = без аналога
|

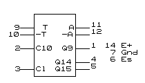
Микросхема ИЕ5 представляет
собой 15-разрядный делитель частоты, который может работать с кварцевым резонатором,
на частоту 16384 или 32768 Гц.
Делитель частоты включает в себя инвертор (вход - вывод 9, выход - вывод 10),
который используется в качестве активного элемента задающего генератора.
Выходная частота снимается с выхода 14-го разряда (вывод 4) при частоте генератора
16384 Гц, или с выхода 15-го разряда (вывод 5) при частоте генератора 32768
Гц. На выводах 11 и 12 микросхемы присутствует усиленное по мощности напряжение
с частотой задающего генератора, которое может быть использовано в преобразователе
постоянного напряжения.
С девятого выхода делителя частоты (вывод 1) снимается напряжение с частотой
32 Гц (или 64 Гц), которое используется в случае применения жидкокристаллических
индикаторов.
Для образования 15-разрядного делителя частоты необходимо выводы 1 и 2 микросхемы
объединить, т.к. последние шесть разрядов схемы имеют самостоятельный вход
(вывод 2), а внутренняя связь между выходом 9-го разряда и входом 10-го разряда
делителя частоты отсутствует. Управляющий вход (3) предназначен для сброса
последних шести разрядов схемы в нулевое состояние при установке точного времени.
Вывод 6 (питание подложки) нужно соединить с выводом 7 (Общий).
| Параметры (T=+25) при E=+9 |
176ИЕ5 |
| Выходное напряжение логического 0, мА |
0.5 |
| при выходном напряжении,
В |
0.3 |
| Выходное напряжение логической 1, мА |
0.5 |
| при выходном напряжении,
В |
8.2 |
| Максимальная рабочая частота, МГц |
1.0 |