ðÒÅÄÙÄÕÝÁÑ
îÁÞÁÌÏ ÓÁÊÔÁ
ðÅÒ×ÁÑ ÓÔÒÁÎÉÃÁ
óÌÅÄÕÀÝÁÑ

óÐÒÁ×ÏÞÎÉË ÐÏ  ÂÉÐÏÌÑÒÎÙÍ  ÔÒÁÎÚÉÓÔÏÒÁÍ

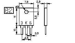
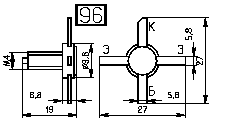
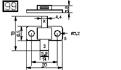
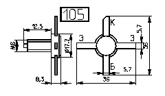
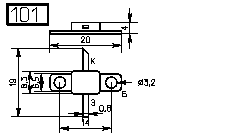
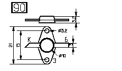
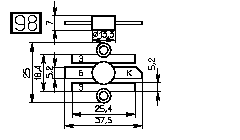
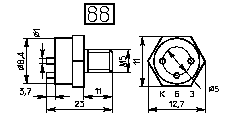
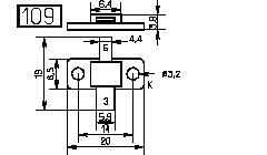
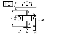
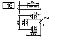
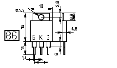
ãÏËÏÌÅ×ËÉ 81 - 120


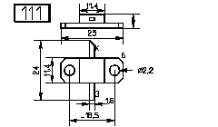
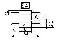
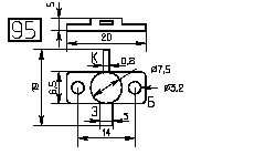
çô810, 1ô905, çô906

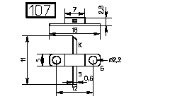
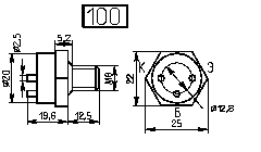
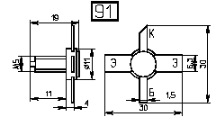
ëô601-í, ëô602-í, ëô604-í, ëô605-í, ëô611-í, ëô639, ëô644, ëô646, ëô807-í, ëô814, ëô815, ëô816, ëô817, ëô902-í, ëô940, ëô943, ëô961, ëô969, ëô972, ëô973, ëô9115, ëô9157

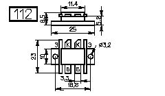
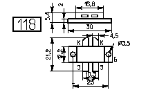
ëô820-1, ëô821-1

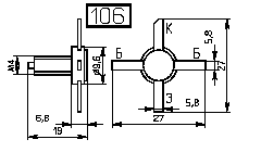
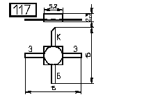
ëô822-1, ëô823-1

ëô617, ëô618, 2ô630, 2ô632, ëô633, 2ô635, 2ô638, 2ô653, 2ô830, 2ô831, 2ô836, 2ô860, 2ô861, 2ô880, 2ô881, 2ô888, ëô325, 2ô928, 2ô933, 2ô941, 2ô968, 2ô974, ëô9141, ëô9143

ëô712, ëô829, 2ô841-1, 2ô842-1, ëô850, ëô851, ëô852, ëô853, ëô854, ëô855, ëô856-1, ëô857, ëô858, ëô859, ëô863, ëô882, ëô883, 2ô884, ëô8109, ëô997, ëô9120

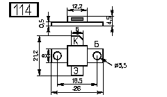
2ô862â-ç, 2ô866, 2ô874

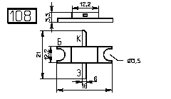
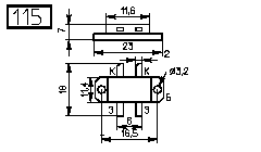
ëô606, ëô904, ëô907, ëô914, ëô921

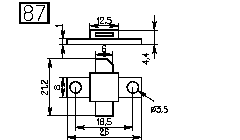
çô905, çô906-í

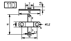
ëô909

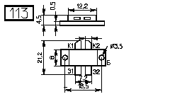
ëô911

ëô912

ëô610, ëô913, ëô916, 2ô939

2ô634-2, 2ô637-2, ëô918, 2ô938-2

ëô919, 2ô937-2, 2ô942

ëô920, ëô922, ëô925, ëô929, ëô934, 2ô951, ëô983

ëô927

2ô930, 2ô931, 2ô958, 2ô960

2ô946

ëô944, 2ô947

2ô948, 2ô9103-2

2ô949, 2ô993

2ô950

2ô955, 2ô965, 2ô966, 2ô981

2ô956, 2ô957, 2ô964, ëô967, 2ô980, 2ô9111

2ô962, 2ô976

2ô963-2, 2ô995-2, 2ô9119-2, 2ô9135-2

2ô975, 2ô986

2ô977

2ô982-2

2ô984, 2ô9104, 2ô9109

2ô985-ó, 2ô9105-ó, 2ô9125-ó, 2ô9128-ó

2ô987

ëô979, 2ô988, 2ô989, 2ô9114, 2ô9124, 2ô9129, 2ô9139, 2ô9149, 2ô9158

2ô991-ó, 2ô9101-ó, 2ô9132-ó, 2ô9136-ó

2ô994, 2ô9146

2ô996-2

2ô9118, 2ô9122

2ô9121, 2ô9127, 2ô9146â,÷

2ô9134

ëÏÚÁË ÷ÉËÔÏÒ òÏÍÁÎÏ×ÉÞ, îÏ×ÏÓÉÂÉÒÓË, 7-ÉÀÎÑ-2014 Ç.
email: kozak@inp.nsk.su
Rambler's Top100