Предыдущая
Начало сайта
Первая страница
Следующая

Справочник по  биполярным  транзисторам

Цоколевки 121 - 150


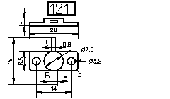
2Т9137

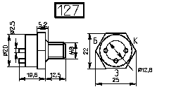
2Т9140

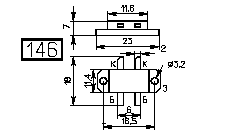
КТ872, КТ898, КТ8101, КТ8102, КТ8106, КТ8107

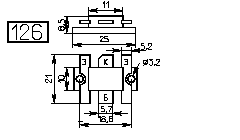
КТ999

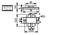
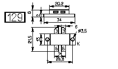
2Т9126, 2Т9131

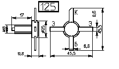
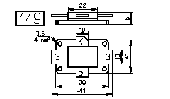
КТ970, 2Т971, КТ9116, КТ9133

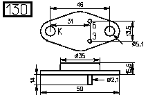
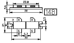
2Т879

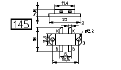
КТ9141-1

2Т891

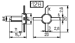
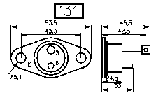
КТ970

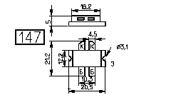
КТ715

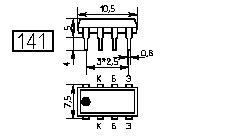
1НТ251

КТС622

1НТ661

198НТ1, 198НТ2, 198НТ3, 198НТ4

198НТ5, 198НТ6, 198НТ7, 198НТ8

КР198НТ1-4

КР198НТ5-8

ГТС609

КТС613, КТС631

КР159НТ1, КТС3103-1

2ТС843

КТС398-94

КТ9147-С

2Т9153-С

КТ9142

КТ9150

КТ9151, КТ9152

КТ9160

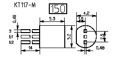
КТ117-М
   

Козак Виктор Романович, Новосибирск, 7-июня-2014 г.
email: kozak@inp.nsk.su
Rambler's Top100