ðÒÅÄÙÄÕÝÁÑ
îÁÞÁÌÏ ÓÁÊÔÁ
ðÅÒ×ÁÑ ÓÔÒÁÎÉÃÁ
óÌÅÄÕÀÝÁÑ

óÐÒÁ×ÏÞÎÉË ÐÏ  ÂÉÐÏÌÑÒÎÙÍ  ÔÒÁÎÚÉÓÔÏÒÁÍ

ãÏËÏÌÅ×ËÉ 41 - 80


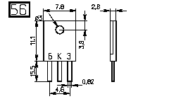
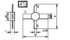
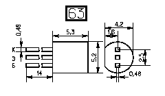
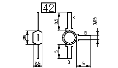
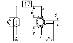
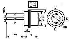
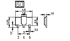
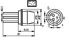
ëôó3103, 159îô1

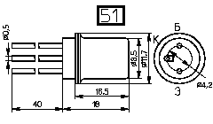
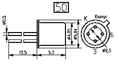
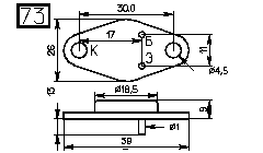
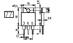
ëô3123-í

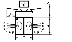
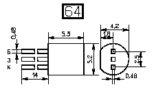
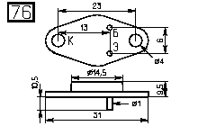
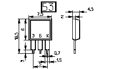
ëô306

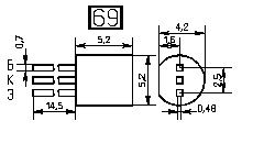
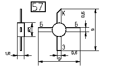
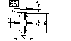
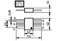
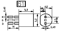
ëôó393-93

2ô3124-2, 2ô3132-2

2ô3133, 2ô652

ëô3155

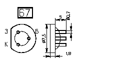
ëô3169-91

ëô3174-ó2

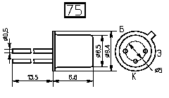
ëô339

çô402, çô404

çô403

çô405

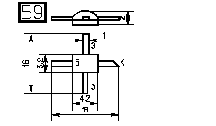
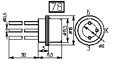
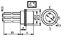
ëô602, ëô604, ëô611

ëô607-4, 1ô612, 1ô614

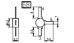
ëô626

1ô3110-2, 2ô640-2, 2ô642-2, 2ô643-2, 2ô647-2, 2ô648-2, 2ô671-2

2ôó641

2ô649-2

2ô664-91, 2ô665-91, ëô666-9, ëô667-9, ëô9144-9, ëô9145-9

ëô203-í, ëô306-í, ëô313-1, ëô326-í, ëô342-í

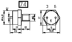
ëô684

ëô355-í, ëô3157

ëô325-í, ëô339-í

2ôó687-ó2

2ô688

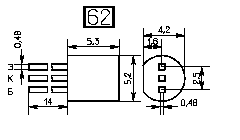
ëô936

ëô3109

ëô3126

2ôó3111

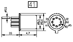
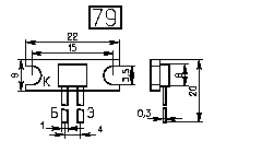
çô701, 1ô901, ëô933

1ô702

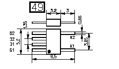
çô703, çô705, 2ô713, ëô808-í, ëô812, ëô818-í, 2ô818, ëô819-í, 2ô818, 2ô824-í, 2ô825, 2ô826, 2ô827, 2ô828, 2ô832, 2ô834, 2ô838, 2ô839, 2ô840, 2ô841, 2ô842, 2ô844, 2ô845, 2ô846, 2ô847, 2ô848 É Ô.Ä.

ëô704, 1ô824, 2ô917, ëô926, ëô935

2ô708

2ô709, 2ô716

2ô709-2, 2ô716-1, ëô723, ëô724, ëô805-í, ëô818, 2ô818-2, ëô819, 2ô819-2, 2ô825-2, ëô835, 2ô837, ëô840-1, ëô896, ëô899

ëô801

ëô807

ëô802, ëô803, ëô805, çô806, ëô808, ëô809, çô813, ëô902, ëô903, ëô908

ëÏÚÁË ÷ÉËÔÏÒ òÏÍÁÎÏ×ÉÞ, îÏ×ÏÓÉÂÉÒÓË, 7-ÉÀÎÑ-2014 Ç.
email: kozak@inp.nsk.su
Rambler's Top100