|
|
|
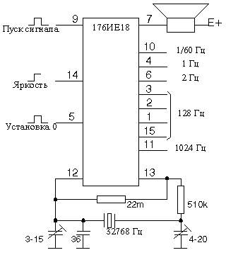
ИЕ18 - счетчик для часов с делителем
частоты и генератором звонка
176ИЕ18 = без аналога
|

T1-T4- выходы мультиплексора
(частота 128 Гц)
Q5 - выход делителя 2^5 (частота 1024 Гц)
Q14 - выход делителя 2^14 (частота 2 Гц)
Q15 - выход делителя 2^15 (частота 1 Гц)
Q60 - выход делителя выход счетчика секунд
HSo - выход сигнала звонка
-O - инверсный выход генератора
Cl - вход "установка 0"
HSi - вход сигнала звонка
Ck - вход генератора/делителя
Q - вход управления скважностью мультиплексора (управление яркостью индикации)
Микросхема 176ИЕ18 состоит из кварцевого генератора с внешним
кварцевым резонатором на частоту 32768 Гц, 15-разрядного делителя частоты
и делителя частоты на 60 (делитель секунд). При подключении к микросхеме кварцевого
резонатора с частотой 32768 Гц, она обеспечивает получение частот 32768, 1024,
128, 2, 1 и 1/60 Гц. Импульсы с частотой 128 Гц формируются на четырех выходах
микросхемы (T1-T4) и сдвинуты между собой по фазе на четверть периода, их
скважность равна 32/7.
Эти импульсы предназначены для коммутации знакомест индикатора
часов при динамической индикации. Выходы выполнены по схеме с "открытым стоком".
Допустимый выходной ток микросхемы по этим выходам составляет 12 мА.
Импульсы с частотой 1/60 Гц подаются на счетчик минут,
импульсы с частотой 1 Гц могут использоваться для подачи на счетчик секунд
и для зажигания разделительной точки. Частота 1024 Гц предназначена для звукового
сигнала будильника. При подаче низкого потенциала на вход Cl (установка 0),
выходы T1-T4 переводятся в состояние логического 0, что обеспечивает выключение
индикации.
При подаче на вход Q высокого потенциала, скважность импульсов
на выходах T1-T4 увеличивается в 3.5 раза, что позволяет уменьшить яркость
индикации.
Микросхема 176ИЕ18 имеет специальный формирователь звукового
сигнала. При подаче положительного импульса на вход HSi, на выходе HSo появляются
пачки отрицательных импульсов с частотой 2048 Гц и скважностью 2. Длительность
пачек 0.5 сек, период повторения- 1 сек. Выход выполнен по схеме с "открытым
стоком" и допускает работу на нагрузку до 50 Ом.
| Микросхема |
176ИЕ18 |
| Параметры (T=+25) при питании |
E=+9 |
| Выходной ток логического 0, мА |
0.5 |
| При выходном напряжении, В |
2.0 |
| Выходной ток логической 1, мА |
0.5 |
| При выходном напряжении, В |
5.3 |
Схема включения микросхемы 176ИЕ18