|
|
|
ИЕ17 - счетчик для часов с календарем
176ИЕ17 = без аналога
|

D - тактовый вход
календаря
F - тактовый вход (частота 1024 Гц)
V - вход запрета выходов
R - вход установки "0"
Q - вход установки счетчиков
S2 - вход управления (частота 1024 Гц)
P - вход управления (установка)
Qa-Qd- выходы
A1-C1- выходы
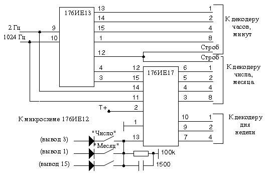
Микросхема 176ИЕ17 предназначена для электронных часов
с календарем. Она содержит счетчики дней недели, чисел месяца и месяцев. Счетчик
чисел считает от 1 до 29-31 в зависимости от месяца, счет дней недели производится
от 1 до 7, счет месяцев- от 1 до 12. На выходы Qa-Qd выдается поочередно двоично-десятичный
код цифры (единицы и десятки числа и месяца), а на выходах A-C постоянно присутствует
двоичный код порядкового номера дня недели. Подача низкого потенциала на вход
V переводит выходы Qa-Qd в состояние с высоким импедансом.
| Микросхема |
176ИЕ17 |
| Параметры (T=+25) при питании |
E=+9 |
| Выходной ток логического 0, мА |
0.5 |
| При выходном напряжении, В |
0.3 |
| Выходной ток логической 1, мА |
0.5 |
| При выходном напряжении, В |
8.2 |
Схема включения микросхем 176ИЕ17 и 176ИЕ13