Предыдущая
Начало сайта
Первая страница
Следующая

Справочник по стандартным цифровым ТТЛ микросхемам
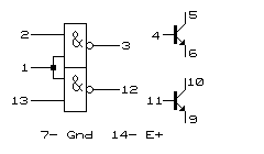
Цоколевка ТТЛ ИС (простая логика)

1

ЛН1(04), ЛН2(05), ЛН3(06), ЛН4(07),  ЛН5(16), ЛН7(1004), ЛН10(1005), ЛП9(07), ЛП16(1034), ЛП17(1035),  ТЛ2(14)
2

ЛН6(366), ЛП10(365)
3

ЛЛ11(367), ЛН8(368), ЛП11(367)
4

ЛА3(00), ЛА9(03), ЛА11(26), ЛА12(37), ЛА13(38), ЛА15(б/а), ЛА21(1000), ЛА23(1003), ЛИ1(08), ЛИ2(09), ЛИ8(1008), ЛЛ1(32), ЛЛ4(1032), ЛП5(86), ТЛ3(132)
5

ЛП8(125)
6

ЛА8(01), ЛЕ1(02), ЛЕ5(28), ЛЕ6(128), ЛЕ10(1002), ЛЕ11(33)
7

ЛА4(10, ЛА10(12), ЛА24(1010), ЛЕ4(27), ЛИ3(11), ЛИ4(15)
8

ЛА1(20), ЛА6(40), ЛА7(22), ЛА16(140), ЛА22(1020), ЛИ6(21), ТЛ1(13)
9

ЛЕ3(25)
10

ЛЕ2(23)
11

ЛЕ7(260)
12

ЛА2(30)
13

ЛА19(134)
14

ЛР1(50)
15

ЛР3(53, 53Н). У микросхемы 53 вывод 6 свободен.
16

ЛР4(55). У микросхемы LS55 выводы 5 и 9 свободны.
17

ЛР9(64), ЛР10(65)
18

ЛР11(51). У микросхем 51, 51Н выводы 11 и 12 свободны.
19

ЛР13(LS54)
20

ЛД1(60)
21

ЛА20(804), ЛЕ8(805), ЛИ7(808), ЛЛ3(832)
22

ЛП13(266)
23

ЛА17(б/а)
24

ЛА18(75452), ЛЛ2(75453)
25

ЛИ5(75451)
26

533ЛП3(б/а)
27

1533ЛП3(б/а)
28

ЛП7(75450)

Козак Виктор Романович, Новосибирск, 11-июня-2014 г.
email: kozak@inp.nsk.su
Rambler's Top100