ðÒÅÄÙÄÕÝÁÑ
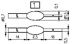
îÁÞÁÌÏ ÓÁÊÔÁ
ðÅÒ×ÁÑ ÓÔÒÁÎÉÃÁ
óÌÅÄÕÀÝÁÑ

óÐÒÁ×ÏÞÎÉË ÐÏ Ó×ÅÔÏÉÚÌÕÞÁÀÝÉÍ ÐÒÉÂÏÒÁÍ

ãÏËÏÌÅ×ËÉ 1 - 66


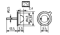
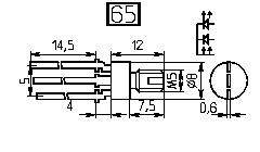
3ì103

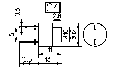
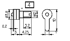
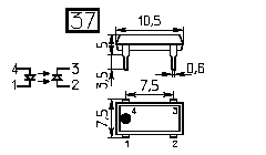
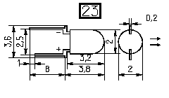
3ì107, 3ì115, 3ì118, 3ì129, 3ì139, ëéðä31

3ì108

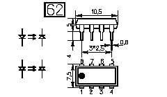
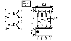
3ì119, 3ì123, 3ì124, 3ì153

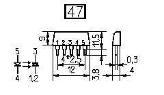
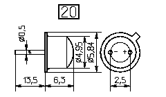
3ì120

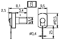
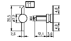
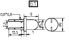
3ì127-1

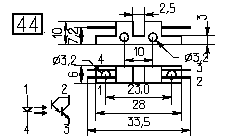
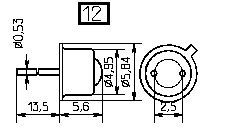
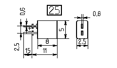
áì109á-1, 3ì128-1

3ì130, 3ì148

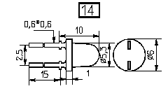
3ì132, 3ì135

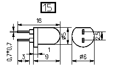
3ì136, 3ì137. 3ì138. 3ì143

3ì140á-4, 3ì142á-4

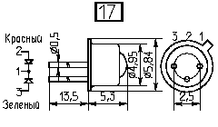
áì102-í, 3ì149, 3ì341, áì360, 3ì365

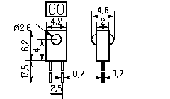
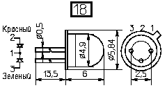
ëìä901

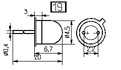
áì307-í

áì316

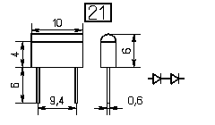
áì106

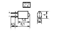
3ìó331

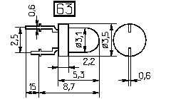
áìó331

áì402

ëéðä04, éðä04

ëéðä01, éðä01

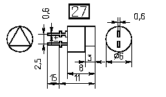
3ì108-1, áì157, ëéðä02

ëéðä05

ëéðä06

ëéðí01

ëéðí02

ëéðí03

ëéðí04

áì154

3ïò124

3ïò125á

ëïä301, ïä301

ëïì201, ïì201

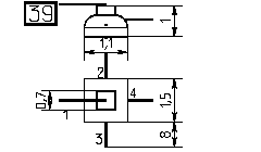
áïä101, áïä107, áïä129

áïä139

áïä109

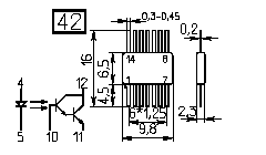
áïä130, áïä140

áïä112-1, áïä120-1, áïä201-1, áïä202-1

3ïä121-1

áïô102

áïô110, 3ïô127, áïô131, áïô135, áïô136

3ïô122

áïô123, áïô126, áïô138

3ïô142

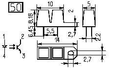
áïõ103

áïô127

áïõ115

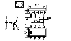
áïô137

áïô128

áïô147

áïä133

áïä111

3ïô144, 3ïô150

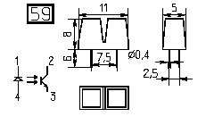
áïô101-ó

ëïä302

áïô146

áïò113, áïòó113

áïô137-1

áïô151

áì144

áì156, áì161, áì336, ëéðä18

áïä134áó

ëéðä14

ëéðä17

3ïä148á

3ïä148á1
   


ëÏÚÁË ÷ÉËÔÏÒ òÏÍÁÎÏ×ÉÞ, îÏ×ÏÓÉÂÉÒÓË, 5-ÉÀÎÑ-2014 Ç.
email: kozak@inp.nsk.su
Rambler's Top100