Предыдущая
Начало сайта
Первая страница
Следующая

Справочник  по  аналоговым коммутаторам
Назначение и расположение выводов аналоговых мультиплексоров

Микросхема 590КН1.

 Аналоговый мультиплексор 8 линий в одну. 
 Назначение выводов:
 I0-I7 - аналоговые входы (выходы).
 Out -   аналоговый выход (вход).
 A,B,C - адрес (выбор соединения).
 En - разрешение: En=L - выход изолирован от входов; En=H - выход соединен с адресуемым входом.
 E+ положительное напряжение питания (+5 в).
 E- отрицательное напряжение питания (-15 в).
    Примечание- вывод 11 не имеет соединений.
 

Микросхема 590КН2.
 Четыре независимых аналоговых ключа. Расположение выводов идентично микросхемам 590КН10, 590КН13.
 Назначение выводов:
 Ii - аналоговый вход (выход).
 Oi - аналоговый выход (вход).
 Vi - вход управления: Vi=L - ключ замкнут; Vi=H - ключ разомкнут.
 E+ положительное напряжение питания (+12 в).
 E- отрицательное напряжение питания (-12 в).
 Gnd- общий вывод (цифровая земля).
    Примечание- вывод 9 не имеет соединений.
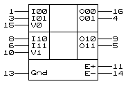
Микросхема 590КН3.

 Сдвоенный аналоговый мультиплексор 4 линии в одну. 
 Назначение выводов:
 I00-I03 - аналоговые входы (выходы) мультиплексирующиеся на выход O0.
 I10-I13 - аналоговые входы (выходы) мультиплексирующиеся на выход O1.
 O0, O1 -   аналоговые выходы (входы).
 A,B - адрес (выбор соединения).
 En - разрешение: En=L - выход изолирован от входов (закрыто); En=H - выход соединен с адресуемым входом (открыто).
 E+ положительное напряжение питания (+5 в).
 E- отрицательное напряжение питания (-15 в).
 Gnd- общий вывод (цифровая земля).

Микросхема 590КН4.

 Сдвоенный аналоговый переключатель.
 Назначение выводов:
 Iij - аналоговые входы (выходы).
 OIij - аналоговые выходы (входы).
 V - вход разрешения:
 Vi=H - Ii0 и Oi0 замкнуты, Ii1 и Oi1 разомкнуты.
 Vi=L - Ii0 и Oi0 разомкнуты, Ii1 и Oi1 замкнуты.
 E+ положительное напряжение питания (+15 в).
 E- отрицательное напряжение питания (-15 в).
 Gnd- общий вывод (цифровая земля).

Микросхема 590КН5.

 Четыре независимых аналоговых ключа. 
 Назначение выводов:
 Ii - аналоговый вход (выход).
 Oi - аналоговый выход (вход).
 Vi - вход управления: Vi=L - ключ замкнут; Vi=H - ключ разомкнут.
 E+ положительное напряжение питания (+15 в).
 E- отрицательное напряжение питания (-15 в).
 E3 положительное напряжение питания (+5 в).
 Gnd- общий вывод (цифровая земля).

Микросхема 590КН6.

 Аналоговый мультиплексор 8 линий в одну. 
 Назначение выводов:
 I0-I7 - аналоговые входы (выходы).
 Out -   аналоговый выход (вход).
 A,B,C - адрес (выбор соединения).
 En - разрешение: En=L - выход изолирован от входов; En=H - выход соединен с адресуемым входом.
 E+ положительное напряжение питания (+15 в).
 E- отрицательное напряжение питания (-15 в).
 Gnd- общий вывод (цифровая земля).

Микросхема 590КН7.
 Четыре аналоговых ключа с общим управлением.
 Назначение выводов:
 I0-I3 - аналоговые входы (выходы).
 O0-O3- аналоговые выходы (входы).
 En - разрешение: En=L - каналы 0 и 3 замкнуты, а каналы 1 и 2 разомкнуты; En=H - каналы 0 и 3 разомкнуты, а каналы 1 и 2 замкнуты.
 E+ положительное напряжение питания (+15 в).
 E- отрицательное напряжение питания (-15 в).
 Gnd- общий вывод (цифровая земля).
Микросхема 590КН8А.
 Четыре МДП-транзистора для построения аналоговых ключей.
 Назначение выводов:
 g- затвор; s- исток; d- сток.
Микросхема 590КН9.
 Два аналоговых ключа с низким сопротивлением.
 Назначение выводов:
 I0-I1 - аналоговые входы (выходы).
 O0-O1- аналоговые выходы (входы).
 E0-E1 - разрешение.
 E+ положительное напряжение питания (+15 в).
 E- отрицательное напряжение питания (-15 в).
 Gnd- общий вывод (цифровая земля).
Микросхема 590КН10.
 Четыре независимых аналоговых ключа. Расположение выводов идентично микросхемам 590КН2, 590КН13.
 Назначение выводов:
 Ii - аналоговый вход (выход).
 Oi - аналоговый выход (вход).
 Vi - вход управления: Vi=L - ключ замкнут; Vi=H - ключ разомкнут.
 E+ положительное напряжение питания (+12 в).
 E- отрицательное напряжение питания (-12 в).
 Gnd- общий вывод (цифровая земля).
    Примечание- вывод 9 не имеет соединений.

Козак Виктор Романович, Новосибирск, 23-июня-2014 г.
email: kozak@inp.nsk.su
Rambler's Top100