Предыдущая
Начало сайта
Первая страница
Следующая

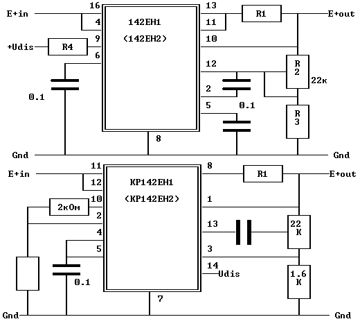
Справочник  по  стабилизаторам напряжения
(КР)142ЕН1,2

142ЕН1 142ЕН2: 402.16-7
КР142ЕН1, КР142ЕН2: 2102.14-1
свободный
коррекция
свободный
вход 2
свободный
Uref (опорное напряжение)
свободный
общий
выключатель
10
защита по току
11
защита по току
12
регулировка выхода
13
выход 1
14
выход 2
15
свободный
16
вход 1
защита по току
защита по току
обратная связь
дифференциальный усилитель
Uref (опорное напряжение)
свободный
общий
выход 1
свободный
10
выход 2
11
вход 2
12
вход 1
13
коррекция
14
выключатель


Козак Виктор Романович, Новосибирск, 23-июня-2014 г.
email: kozak@inp.nsk.su
Rambler's Top100