ðÒÅÄÙÄÕÝÁÑ
îÁÞÁÌÏ ÓÁÊÔÁ
ðÅÒ×ÁÑ ÓÔÒÁÎÉÃÁ
óÌÅÄÕÀÝÁÑ

óÐÒÁ×ÏÞÎÉË ÐÏ ÐÏÌÕÐÒÏ×ÏÄÎÉËÏ×ÙÍ ÄÉÏÄÁÍ
ãÏËÏÌÅ×ËÁ ÄÉÏÄÏ×

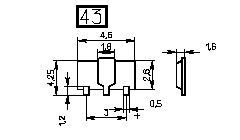
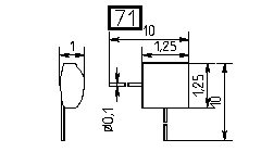
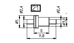
1
çä107, çä113, 2ä235, çä401, ëä407, 2ä420, ëä503, çä507, çä508, ëä923, 2÷110, 2÷117, 2÷119, ë÷136, 2ó108á-ò, 2ó133á,÷,ç, ëó133á, 2ó139á, ëó139á, 2ó147á,÷,ç, ëó147á, 2ó156á,÷,ç, ëó156á, 2ó168á, ëó168á, ëó415á, 2ó117, 2ó123
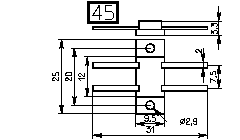
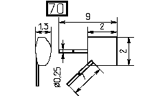
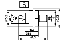
2
1ã104áé
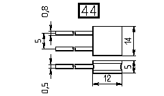
3
2ä102, ëä103, ëä104
4
ëä106, 2ä217
5
2ä108, 2ä207, ëä411, 2ä416, 2÷105, 2ó401á, 2ó401âó, 2ó408, 2ó501áó, 2ó501â, 2ó501âó
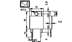
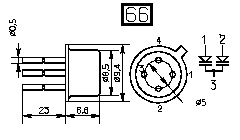
6
ëä201, 2ä203
7
2ä202
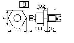
8
2ä204, 2ä206, 2ä210, 2ä219, 2ä230, 2ä231, 2ä251, 2ä252, 2ä2995, 2ä2998, 2ä412, áä425, 2÷103, 2÷106, 2ó801á, 2ó802, 2ó803, 2ó901
9
2ä213, 2ä245, 2ä2990, 2ä2997, 2ä2999
10
ëä208, ëä209, 2ä215, ëä221
11
2ä216, 2ä220, 2ä234
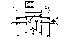
12
2äó408
13
ëä413, 2ä419, ëä512, ëä514, ëä520, 2ä922
14
ëä906, 2ã301
15
2ã101, 2ã103, 2ã106, ëã114, ëã117, ëã118
16
2ã102
17
2ã108, 2ã110
18
ëã201, 2ã202
19
2ã203
20
áä110, 2ä502
21
áä110
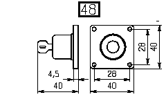
22
áä112
23
ëä401, çä403, ëä504, çä511, 2ä809
24
çä404áò
25
ëä105
26
ëä109
27
ëäó111, ë÷ó111
28
ëä205
29
2ä212, 2ä228, 2ó402á-ç, 2ó502á-î
30
ëä409, ëä512-1, ëä514-1, ë÷109, ë÷121, ë÷122, ë÷123, 2÷124, 2÷125, ë÷127, ë÷130, ë÷132, 2÷133, ë÷134, ë÷138, ë÷142, ë÷144-1
31
ëä410
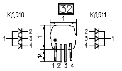
32
ëä910, ëä911
33
ë÷128, ë÷129, ë÷143, ëä424, ëä509, 2ä510, ëä521, 2ä522, ëä805, 2ä926, 2ä927á, ëó115á, ëó121á
34
ëä523á,â
35
ëä523÷,ç
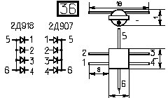
36
2ä907, 2ä918
37
2ä908, ëä917
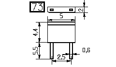
38
áä516
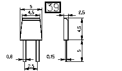
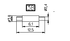
39
2ä237, ëä513, ëä518, ë÷139
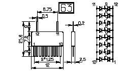
40
ëä526
41
2ä115-1, 2ä116-1
42
2ä120-1, ë÷115
43
2ä123-91
44
2ä218
45
2ä222-ó
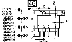
46
ëä227, 2ä232, ëä238-ó
47
2ä236
48
2ä423, ëä529
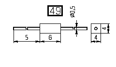
49
2ã112
50
2ã113-1
51
2ã116, 2ã119
52
ëä223, ëä226, 2ä249, ëä529, ëó511
53
2ä121, ëä243, ëä247, ëä808, ëä810, 2ó411á,â, 2ó516á-÷
54
2ä239, ëä244, 2ä2994
55
ëä409-9, 2÷112-9, 2÷122-9, 2÷124-9, 2÷130-9, 2÷134-9
56
ëä421, 2ä524, 2ä630, 2ä806, 2ä921, 2ä924, 2ä925
57
2ä101
58
ëä126, ëä127, 2÷102, 2÷104
59
ëã111-á1
60
ëã407
61
ëã410
62
ëäó627
63
ëäó628
64
ëä629-ó, ëä704áó, 2ä706ó-9, 2ä707ó-9, 2ä803ó-9
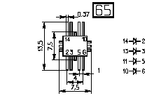
65
2äó807
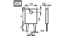
66
2÷118
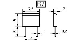
67
ëä248, ëä250, 2ä253, 2÷113
68
ë÷101
69
ë÷ó120
70
2÷112, 2÷114-1
71
ë÷116, ë÷140-1
72
2ä802, ëä901, ëä904
73
ë÷131, ë÷135
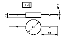
74
2ó101
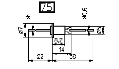
75
2ó107, 2ó113, 2ó119, 2ó190â-ô, ëó190ó-æ, 2ó433á, 2ó439á, 2ó447á, 2ó456á, 2ó468á, 2ó482á, 2ó510á, 2ó512á, 2ó515á, 2ó518á, 2ó522á, 2ó524á, 2ó527á, 2ó530á, 2ó536á, 2ó551á, 2ó591á, 2ó600á, ä818
76
ëó162á, ëó168÷, ëó170á, ëó182á, ëó191á, ëó210â, ëó211é, ëó212÷, ëó213â, ëó533á
77
2ó175ö,ã, 2ó182ö,ã, 2ó191ö,ã, 2ó210ö,ã, 2ó211ö,ã, 2ó212ö,ã, 2ó213ö, 2ó215ö, 2ó218ö, 2ó220ö, 2ó222ö, 2ó224ö, ëó405á, ëó406á, ëó407á-ä, ëó409á, ëó412á, ëó413â,  ëó508á-ä, ë÷146, ëó162á-2, ëó168÷-2, ëó175á-2, ëó182á-2, ëó191á-2, ëó210â-2, ëó213â-2, ëó506á
78
2ä118-1
79
ëã105
80
ëã109
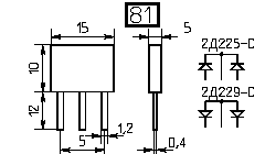
81
2ä225-ó, 2ä229-ó
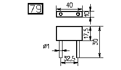
82
2ä528
83
ë÷107
84
2ó483
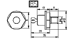
85
ëó620, ëó630, ëó650, ëó680, 2ó920, 2ó930, 2ó950, 2ó980
86
ëó106á
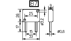
87
ëó211â,÷,ç,ä
88
ëó515ç, ëó520÷, ëó524ç, ëó532÷, ëó547÷
89
ëó539ç, ëó568÷, ëó582ç, ëó596÷
90
2ä708, ëó433á-1, ëó439á-1, ëó447á-1, ëó451á, ëó456á-1, ëó468á-1, ëó482á-1, ëó509, ëó510á-1, ëó512á-1, ëó515á-1, ëó518á-1, ëó522á-1, ëó527á-1, ëó530á-1, ëó551á-1, ëó600á-1
91
2ä255-5
92
2ä260-5
93
ëä2991
94
ëä257, ëä258
95
ë÷144, ëä532, ëä710, ëä711
96
ëó515ç-2, ëó520÷-2, ëó524ç-2, ëó531÷-2, ëó539ç-2, ëó547÷-2, ëó568÷-2, ëó582ç-2, ëó596÷-2
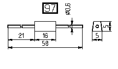
97
ëó122
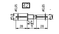
98
2ä254
99
2ó414á, 2ó416á, 2ó514á-÷, 2ó517á-ç, 2ó521á, 2ó602á, 2ó603á-â, 2ó604á-â
 

ëÏÚÁË ÷ÉËÔÏÒ òÏÍÁÎÏ×ÉÞ, îÏ×ÏÓÉÂÉÒÓË, 1-ÉÀÎÑ-2014 Ç.
email: kozak@inp.nsk.su
Rambler's Top100