Предыдущая
Начало сайта
Первая страница
Следующая

Справочник по низкочастотным цифровым КМОП микросхемам
ИЕ12 - 15-разрядный делитель частоты и счетчик на 60
 176ИЕ12 без аналога

Микросхема  176ИЕ12
Параметры (T=+25) при питании, В   E=+9 
Выходной ток логического 0, мА    0.5 
При выходном напряжении, В    0.3 
Выходной ток логической 1, мА    0.5 
При выходном напряжении, В    8.2 
Максимальная рабочая частота, МГц    1.2 

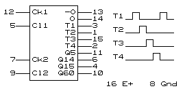
Ck1 - вход генератора
Cl1 - вход установки в 0 делителя
O - выход генератора прямой (частота 32768 Гц)
-O - выход генератора инверсный (частота 32768 Гц)
Q5 - выход делителя 25 (частота 1024 Гц)
T1 - выход мультиплексора 28 (частота 128 Гц)
T2 - выход мультиплексора 28 (частота 128 Гц)
T3 - выход мультиплексора 28 (частота 128 Гц)
T4 - выход мультиплексора 28 (частота 128 Гц)
Q14 - выход делителя 214 (частота 2 Гц)
Q15 - выход делителя 215 (частота 1 Гц)
Ck2 - вход счетчика
Cl2 - вход установки в 0 счетчика
Q60 - выход счетчика на 60

    Микросхема 176ИЕ12 состоит из кварцевого генератора с внешним кварцевым резонатором на частоту 32768 Гц, 15-разрядного делителя частоты и делителя частоты на 60 с индивидуальными входами сброса и тактирования. При подключении к микросхеме кварцевого резонатора с частотой 32768 Гц, она обеспечивает получение частот 32768, 1024, 128, 2, 1 и 1/60 Гц. Импульсы с частотой 128 Гц формируются на четырех выходах микросхемы (T1-T4) и сдвинуты между собой по фазе на четверть периода, их скважность равна 4.
    Эти импульсы предназначены для коммутации знакомест индикатора часов при динамической индикации.
    Импульсы с частотой 1/60 Гц подаются на счетчик минут, импульсы с частотой 1 Гц могут использоваться для подачи на счетчик секунд и для зажигания разделительной точки. Частота 1024 Гц предназначена для звукового сигнала будильника.
 
Козак Виктор Романович, Новосибирск, 18-июня-2014 г.
email: kozak@inp.nsk.su
Rambler's Top100