|
Справочник по низкочастотным
цифровым КМОП микросхемам
|
|
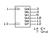
ИЕ1 - 6-разрядный двоичный счетчик
176ИЕ1 = без аналога |

| Параметры (T=+25) при E=+9 | 176ИЕ1 |
| Выходное напряжение логического 0, мА | 0.5 |
| при выходном напряжении, В | 0.3 |
| Выходное напряжение логической 1, мА | 0.5 |
| при выходном напряжении, В | 8.2 |
| Максимальная рабочая частота, МГц | 1.0 |
|
Козак Виктор Романович, Новосибирск, 18-июня-2014 г.
|
|
|
|