В этом документе рассматриваются следующие вопросы:
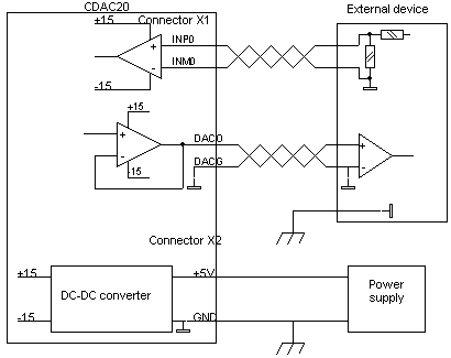
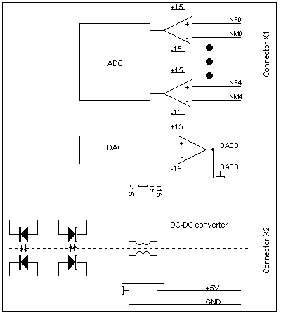
Существенным отличием блока CDAC20 от устройств CANDAC16, CANADC40 является наличие гальванической развязки между цифровой части и аналоговой. Это существенно облегчает борьбу с помехами и наводками. Правда это приводит к появлению в устройстве еще одной "земли" и несколько отличному соединению устройства с объектом управления и контроля.
Аналоговая часть соединяется с цифровой с помощью оптоэлектронных развязок.
Все питания, требуемые для функционирования аналоговой части, вырабатываются
преобразователями напряжения с гальванической развязкой. Емкость между аналоговой
и цифровой частями устройства не превышает 100 пф. Ниже приводится правильная
схема соединения блока CDAC20 с объектом управления и контроля.
Входное напряжение от источника сигнала к аналого-цифровому преобразователю рекомендуется приводить с помощью витой пары, один конец которой (от входа INPx) соединяется с измеряемой точкой, а второй конец (от входа INMx) соединяется с той точкой, которая будет считаться "земляной" для измеряемого сигнала (чистой "землей"). Соединение выхода цифроаналогового преобразователя с потребителем также рекомендуется выполнять с помощью витой пары. Вывод DACG блока и является выводом "чистой" (аналоговой) "земли", который и должен быть соединен с аналоговой "землей" объекта управления и контроля. При этом соединение аналоговой "земли" с "землей" установки потребитель выполняет таким образом, каким ему это удобно. Соединение с "землей" установки цифровой части блока CDAC20 должно производиться на отрицательном проводе от источника питания (либо от разъема источника питания, либо от разъема X2 блока CDAC20).
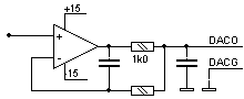
Ниже приведена схема выходного каскада цифроаналогового преобразователя
устройства.
Эта схема обеспечивает следующее:
Однако, если диапазон требуемых напряжений составляет, скажем, 8 В, то на токоограничивающем резисторе уже может упасть 3 В, что соответствует току 3 мА и сопротивлению нагрузки менее 3 Ком. Здесь ограничением является токоограничивающий резистор, который не позволит снять ток более 12 мА.
Что касается точностных параметров ЦАПа, то все они определяются параметрами двух микросхем: микросхемы цифроаналогового преобразователя и микросхемы опорного источника. Формально в параметрах прибора оговаривается цифра 0,01% (100 ppm). От микросхемы опорного источника в параметры входит только дрейф выходного напряжения. Для примененной микросхемы производитель гарантирует величину менее ±3 ppm/C. Учесть вклад микросхемы ЦАПа гораздо сложнее. Часть параметров производитель приводит только для 16-разрядного режима микросхемы, для части параметров приводятся только типовые значения. Большая часть ошибок ЦАПа может быть устранена процедурой калибровки.
Более подробно вопросы погрешностей цифроаналогового преобразователя блока CDAC20 будет рассмотрены в ANC06.
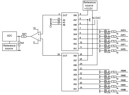
Рассмотрим построение аналого-цифрового преобразователя устройства и возможные
источники неприятностей при его использовании. Ниже приводится условная
схема АЦП прибора.
Фактически аналого-цифровой преобразователь имеет 8 аналоговых входов. Два из них используются для калибровки измерителя. Одна пара входов соединяется с "землей", а вторая пара входов с эталонным источником опорного напряжения (10 В). Перед очередным циклом измерений, микропроцессор устройства подключает измеритель к этой "идеальной земле" и "идеальному опорному напряжению", проводит их измерения и, тем самым, калибрует измеритель. Это дает возможность исключить большинство погрешностей измерительного тракта и существенно поднять точность устройства. Фактически погрешности измерения определяются только уровнем шумов микросхемы АЦП и нестабильностью источника опорного напряжения. Для выбранного источника опорного напряжения производитель гарантирует величину дрейфа (в диапазоне температур 0-70 градусов) ±1,5 ppm/C. Микросхема AD688, используемая в блоке CDAC20, имеет компенсацию дрейфа в широком диапазоне температур. Это означает, что устройство CDAC20 сохраняет достаточно высокую точность в диапазоне температур работоспособности (т.е. если микросхемы еще функционируют, то измерениям вполне можно доверять).
Ниже приводится график зависимости дрейфа опорного источника от температуры
в расширенном температурном диапазоне, приведенный производителем.
Известно, что все опорные источники обладают эффектом "старения",
т.е. их выходное напряжение изменяется со временем. Для AD688 производитель
приводит типовую величину 15 ppm за 1000 часов. Теоретически со временем
эта величина уменьшается. Учитывая, что для измерителя такого класса гарантия
точности имеет особое значение, были предприняты меры для возможной поверки
устройства внутри приложения. Поскольку вся метрология аналого-цифрового
преобразователя определяется параметрами опорного источника, то напряжение
опорного источника выведено на разъем на передней панели. Пользователь может
периодически контролировать эту величину с помощью эталонного вольтметра
и, если обнаружит значительный уход опорного напряжения, может заменить
блок.
При контроле опорного напряжения следует иметь ввиду, что это напряжение подается на разъем не напрямую, а через резисторы. При использовании вольтметра с низким входным сопротивлением измерения будут недостоверны. Следует отметить что на этот же контрольный разъем выведено и выходное напряжение цифроаналогового преобразователя по аналогичной схеме.
Одна пара входов соединена с выходом цифроаналогового преобразователя. Это дает возможность в будущем ввести в программу микропроцессора коррекцию выходного напряжения ЦАПа, пользуясь большей точностью АЦП.
Остальные пять пар входов АЦП доступны для внешней коммутации и выведены на соединительный разъем. Следует отметить, что все входные линии АЦП соединены с входным коммутатором через интегрирующие цепочки с постоянной времени около 47 мкс. Это не вносит дополнительных погрешностей ни при каких штатных измерениях, но может сказаться в двух случаях. Если источник сигнала имеет высокое выходное сопротивление, то суммарная постоянная времени может быть велика и влиять на точность измерения сигналов переменного напряжения. Кроме того, иногда подключение такой емкости к источнику сигнала, может не "понравиться" самому источнику сигнала. Второй случай- это попытка измерять прибором напряжения за пределами гарантированный параметров. Сопротивление этого резистора вместе с внутренним сопротивлением мультиплексора составляет величину около 3 Ком. Входной ток инструментального усилителя может достигать 2 нА. Ошибка из-за разности токов и сопротивлений может достичь 5-10 мкВ. Это далеко за пределами гарантированных точностей, но пользователь иногда пытается производить измерения и в этой области.
Как видно из условной схемы, приведенной выше, независимо от режимов работы подавление синфазной составляющей помехи определяется входной цепью- мультиплексором и инструментальным усилителем.В справочных данных на инструментальным усилитель, производитель гарантирует подавление синфазной помехи величиной не более 11 В (типовое значение 13,5). Это означает, что потенциалы всех измеряемых точек относительно аналоговой "земли" блока CDAC20 не должны превышать эту величину (11 В). Если же "земля" измерителя и "земля" измеряемого устройства имеют потенциалы различающиеся, скажем, на 5 В, то измеряемые сигналы, соответственно, не могут быть более 6 В. Величина же подавления синфазной составляющей не менее 80 дб (типовое значение 96 дб).
В больших системах, в которых обычно и используется устройство, кроме синфазной помехи, существуют еще и дифференциальные помехи. Как правило, основной вклад в дифференциальную помеху вносят импульсные источники (это микросекундные импульсы) помехи с частотой, кратной частоте питающей сети (50 Гц, 100 Гц и т.п.).
Подавление помехи с частотой, кратной частоте питающей сети, осуществляется
микросхемой АЦП и может быть определено по графику, который показывает подавление
сигнала помехи при времени интегрирования 20 мсек. Из графика следует, что
если частота питающей сети составляет 60 Гц, помеха в сигнале подавляется
довольно неплохо (48 дб). Это подтверждено прямыми измерениями. В тех случаях,
когда этого подавления недостаточно, можно увеличить время интегрирования,
например до 80 мсек.

Для полноты обзора схемотехники полезно описать внутреннее устройство микросхемы
мультиплексора.
Производитель микросхемы гарантирует работоспособность микросхемы после попадания на ее входы до ±70 В. При этом необходимо не превысить предельную мощность, рассеиваемую микросхемой. Разумеется, превышение номинального входного напряжения (±10 В) не является штатным режимом и строго запрещается.
У пользователя часто возникает вопрос как рассчитать время измерения в
многоканальном режиме при заданном времени интегрирования. Ниже приводится
осциллограмма, облегчающая эту задачу. Верхний луч показывает состояние
флажка, индицирующего процедуру калибровки. Нижний луч показывает значение
младшего бита адреса входного мультиплексора. Устройство CDAC20 запускалось
в режим бесконечных многоканальных измерений с канала 0 по канал 7 при времени
интегрирования 20 мсек. Из осциллограммы видно, что процедура калибровки
длится 260 мсек, а время обмера каждого канала составляет 100 мсек. Исключение
составляет первый измеряемый после процедуры калибровки канал, для него
это время составляет 80 мсек.
У пользователя часто возникает вопрос, что будет измеряться на не подключенных
входах АЦП. Если посмотреть на схему входной части, то ответ становится
практически очевиден. При включении АЦП к неподключенному каналу емкость
входного фильтра будет заряжаться входным током инструментального усилителя,
т.е. виртуальное напряжение этого канала будет расти с некоторой скоростью.
При отключении АЦП от этого канала, емкость начинает перезаряжаться токами
утечек остальных компонентов схемы со значительно меньшей скоростью, но
в любую сторону. Ниже показана осциллограмма измерения неподключенного канала.
Измерения производились в одноканальном режиме и при неподкл
|
Козак Виктор Романович, Новосибирск,
23-мая-2014 г.
|
|
|
|