В этом документе рассматриваются следующие вопросы:

Блок CANADC40 не имеет гальванической развязки между аналоговой "землей"
и цифровой. Для того чтобы избежать погрешностей измерений вследствие паразитных
токов, текущих по общим "землям", блок приспособлен для измерения
дифференциальных сигналов. Все аналоговые схемы устройства питаются от напряжений
±15 В, вырабатываемых внутренним нестабилизированным преобразователем.
Как следствие, если блок будет запитан низким напряжением (4-4,5 В), он
будет выглядеть для пользователя вполне функциональным, однако микросхемы
не смогут обрабатывать входной сигнал большой величины (9-10 В). Следует
не допускать отклонение питающего напряжения от номинального более чем на
5%.
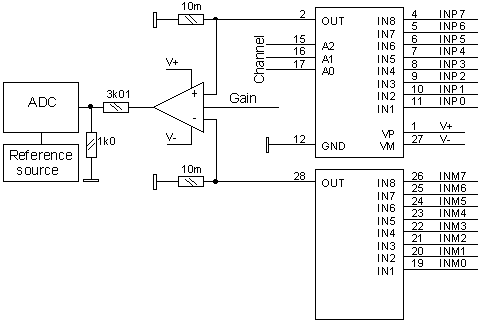
При использовании блока в простеньком настольном стенде при невысоких требованиях к точности, правильность соединения блока CANADC40 и источника сигнала не имеет существенного значения. Можно все отрицательные входы объединить и соединить с "земляным" выводом блока и соединение с внешним устройством осуществлять однопроводным образом. Однако, при использовании блока на установке с изобилием импульсных устройств, генерирующих высокий уровень помех и наводок на сигнальные трассы, небрежное подключение блока может привести к существенной потере точности. Корректное подключение потребителя к входам аналого-цифрового преобразователя и правильное соединение с "землей" установки показано на следующем рисунке.
Входное напряжение от источника сигнала к аналого-цифровому преобразователю
рекомендуется приводить с помощью витой пары, один конец которой (от входа
INPxx) соединяется с измеряемой точкой, а второй конец (от входа INMxx)
соединяется с той точкой, которая будет считаться "земляной" для
измеряемого сигнала (чистой "землей"). Соединение с "землей"
установки блока CANADC40 должно производиться на отрицательном проводе от
источника питания (либо от разъема источника питания, либо от разъема X2
блока CANADC40). При таком соединении погрешности измерений, вызванными
токами, текущими по "землям", будут минимальны.
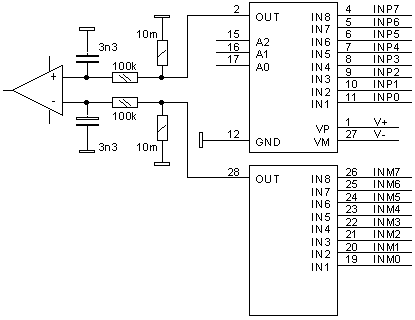
Ниже приводится условная схема аналогового тракта, которая поможет лучше понять источники погрешностей и их величину при измерении постоянных напряжений в различных режимах.

Входной сигнал мультиплексируется с помощью аналоговых мультиплексоров,
затем усиливается микросхемой с программируемым коэффициентом усиления,
приводиться к шкале микросхемы АЦП с помощью резистивного делителя и затем
оцифровывается. Источник опорного напряжения в микросхеме АЦП не позволяет
обеспечить заявленную точность (типовая величина дрейфа составляет 25 ppm/C,
а максимальная величина не регламентируется), поэтому в разработке использован
внешний источник.
На схеме присутствуют резисторы 10 МОм, соединяющие выходы мультиплексоров с "землей". Введение этих резисторов вызвано тем обстоятельством, что в многоканальных системах нередко случаются обрывы сигнальных проводников. Высокое входное сопротивление аналогового тракта приводит к тому, что наводки на трассу создают правдоподобные напряжения. Введенный резистор утечки позволит обнаружить неисправность гораздо быстрее, а в заявленных приложениях такое входное сопротивление (10 МОм) не вызывает каких-либо неудобств.
Устройство имеет 4 входных диапазона по напряжению, 8 времен интегрирования и два существенно различных режима измерений (многоканальный режим и одноканальный режим). Различные сочетания этих факторов различным образом влияют на погрешности измерений. Рассмотрим сначала общие факторы, влияющие на погрешность измерений во всех режимах, затем проанализируем особенности различных режимов работы.
Как видно из условной схемы, приведенной выше, независимо от режимов работы подавление синфазной составляющей помехи определяется входной цепью- мультиплексором и программируемым усилителем.В справочных данных на программируемый усилитель, производитель гарантирует подавление синфазной помехи величиной не более 10,5 В (типовое значение 12,7). Это означает, что потенциалы всех измеряемых точек относительно "земли" блока CANADC40 не должны превышать эту величину (10,5 В). Если же "земля" измерителя и "земля" измеряемого устройства имеют потенциалы различающиеся, скажем, на 5 В, то измеряемые сигналы, соответственно, не могут быть более 5,5 В. Величина же подавления синфазной составляющей не менее 75 дб (типовое значение 90 дб).
Микросхема ADS1210, используемая для аналого-цифрового преобразования обладает следующим эффектом. Если входной сигнал попадает в зону малого дифференциального напряжения (ширина этой зоны составляет несколько мВ), то при этом в цифровом фильтре микросхемы образуется комбинация, которая не может быть подавлена цифровым фильтром. Этот эффект известен и описан в [AB-120 (Application Bulletin) Burr-Brown, 1997] и при измерениях выглядит как сигнал низкой частоты. Ниже приведен график измерений нулевого сигнала на приборе CANADC40 в одноканальном режиме.

Нет известных способов определить фазу этого виртуального сигнала и привязать
измерения и процедуру калибровки к нему. Соответственно, погрешности описываемого
устройства не могут быть меньше величины амплитуды этого виртуального сигнала.
Погрешности остальных узлов аналого-цифрового тракта в основных режимах
работы составляют меньшую величину.
При использовании усилительных диапазонов (1В, 100 мВ, 10 мВ) погрешности измерителя практически полностью определяются возможностями программируемого усилителя. Ниже приводятся некоторые параметры программируемого усилители (G- установленный коэффициент усиления: 1, 10, 100, 1000).
Смещение нуля ±25+30/G (типовое) и ±125+500/G (максимальное) микровольт.
Дрейф, приведенный к входу ±1+10/G (максимальное) микровольт на градус.
В больших системах, в которых обычно и используется устройство, кроме синфазной помехи, существуют еще и дифференциальные помехи. Как правило, основной вклад в дифференциальную помеху вносят импульсные источники (это микросекундные импульсы) помехи с частотой, кратной частоте питающей сети (50 Гц, 100 Гц и т.п.).

Подавление помехи с частотой, кратной частоте питающей сети, осуществляется
микросхемой АЦП и может быть определено по графику, который показывает подавление
сигнала помехи при времени интегрирования 20 мсек. Из графика следует, что
если частота питающей сети составляет 60 Гц, помеха в сигнале подавляется
довольно неплохо (48 дб). Это подтверждено прямыми измерениями.В тех случаях,
когда этого подавления недостаточно, можно увеличить время интегрирования,
например до 80 мсек.

Микросекундные сигналы могут быть продетектированы низкочастотными компонентами
аналогового тракта, поэтому они подавляются специальной RC-цепочкой, как
показано на приведенной схеме. Эта схема устраняет попадание высокочастотных
импульсов на медленный программируемый усилитель и устраняет ошибки, вызванные
модуляцией сопротивления коммутаторов входным сигналом. Кроме двух полезных
эффектов, эта схема создает и два паразитных эффекта. Во-первых, при измерении
одного из каналов, емкости заряжаются до напряжения сигнала, и при переключении
на другой канал, эта емкость подключается к источнику сигнала (правда через
резистор 100 Ком). Если источник сигнала имеет высокое выходное сопротивление,
то это может вызвать некоторые проблемы. Второй вредный эффект- постоянная
времени RC-цепочки составляет 0,3 мсек. При переключении канала требуется,
соответственно, 3-6 мсек для установления напряжения. При коротких временах
интегрирования (1, 2, 5, 10 мсек) в многоканальном режиме нужно либо вводить
задержку при переключении канала, либо смириться с ошибками (в этой разработке
был принят второй вариант).
Для полноты обзора схемотехники полезно описать внутреннее устройство микросхемы мультиплексора.

Производитель микросхемы гарантирует работоспособность микросхемы после
попадания на ее входы до ±70 В. При этом необходимо не превысить
предельную мощность, рассеиваемую микросхемой. Разумеется, превышение номинального
входного напряжения (±10 В) не является штатным режимом и строго
запрещается.
У пользователя часто возникает вопрос как рассчитать время измерения в
многоканальном режиме при заданном времени интегрирования. Ниже приводится
осциллограмма, облегчающая эту задачу. Верхний луч показывает состояние
флажка, индицирующего процедуру калибровки. Нижний луч показывает значение
младшего бита адреса входного мультиплексора. Устройство CANADC40 запускалось
в режим бесконечных многоканальных измерений с канала 0 по канал 7 при времени
интегрирования 20 мсек. Из осциллограммы видно, что процедура калибровки
длится 220 мсек, а время обмера каждого канала составляет 80 мсек. Исключение
составляет первый измеряемый после процедуры калибровки канал, для него
это время составляет 60 мсек.
|
Козак Виктор Романович, Новосибирск,
23-мая-2014 г.
|
|
|
|